本文引用地址:
简介
在汽车、工业或家用电器等领域,电压突然波动可能会引发严重的问题。造成该系统电源问题的原因可能包括电压尖峰、电流不畅或不稳定、雷击、闪烁等。
无论窗口电压监控器低于还是高于电压范围,它都可以检测一定范围的电压,并提供可用于执行保护机制的输出信号,因此使用窗口电压监控器有助于防止系统出现故障。窗口电压监控器具有不同的架构和特性,要想实现出色的系统设计,需要更好地了解每种类型。选项包括电阻可编程欠压(UV)和过压(OV)断路、固定或工厂调整的UV/OV阈值、用于监控多个电压的多通道,或单一UV/OV或独立UV和OV输出选择。
了解窗口电压监控器
窗口电压监控电路与传统窗口检测器电路类似,它使用两个比较器,并且每个比较器检测相对于其基准电压(即上限和下限)的公用输入电压。输出以两个基准阈值电压间窗口的形式显示输入的检测结果。简单地说,该电路不仅检测低于阈值的电压,也检测高于阈值的电压。传统窗口检测器电路及其波形如图1所示。
图1 传统窗口检测器电路和波形在该电路中,当VIN大于下限时,U2的输出将从低状态转变为高状态。与U1相反,当VIN大于上限时,输出将从高状态转变为低状态。因此,如果VIN大于下限且低于上限,则两个比较器的输出都将切换至高状态,并打开与门输出。
对于窗口电压监控器,各比较器共用一个基准电压。该监控器还提供定义的电源容差裕量、阈值滞回和阈值精度规格。容差的值通常以百分比表示,用于确定相对于标称电压的欠压和过压阈值窗口。即使存在电源噪声或错误信号,滞回也能确保可靠的复位操作,并防止错误复位输出。精度留出了欠压和过压阈值的容许范围1。
提供UV输出和OV输出的电阻可编程电压阈值
此类型架构在外部采用三电阻配置,其中,在为监控系统电源上的UV和OV条件设置阈值时,电阻分压器连接到比较器的负输入和正输入。该架构没有为UV/OV阈值窗口定义容差,但用户可手动进行设置。此类型监控器提供单通道和多通道版本,因此这些监控器的电源电压VCC与输入或监控引脚分开。
图2 电阻可编程UV/OV阈值内部框图和配置图2所示为正电压监控框图,其中包括每个通道的专用UV和OV输出,以及其输入与三个外部电阻的连接情况。在监控正电源电压(VM)时,当高端电压(VH)低于内部基准电压时,将触发UV条件,而当低端电压(VL)超过内部基准电压时,将触发OV条件。使用电阻可编程窗口电压监控器的优点在于,它允许用户设置所需的UV和OV跳变点,其中,选择R1以设置OV监控器的所需跳变点,选择R2以设置UV监控器的所需跳变点,而R3用于完成设计。要确定每个电阻的值,请参见公式。
假设用户已有电阻分压器中被监控电压(VM)和标称电流(IM)的值,

对于R1,

对于R2,


使用外部电阻的一个考虑因素是,外部电阻会增加系统的功耗,并且可能会拓宽整体精度。使用大阻值的电阻可最大限度降低功耗,而小阻值的电阻可用于维持整体精度。
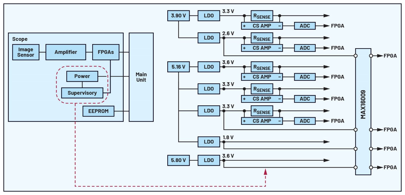
MAX16009采用此类型架构,这是一款低电压、高精度的四窗口电压监控器。该产品具有设计灵活性,例如可在多个通道中设置低至0.4 V的UV和OV阈值。图3是使用MAX16009的示例。该器件用于内窥镜的示波器部分,内窥镜是一个配备灯具和摄像头的长管,可插入人体以观察腔体或器官内部。该系统在低电压电平下采用多个电压轨运行。该电压监控器通过监控内核电源电压和现场可编程门阵列(FPGA)的输入/输出电源电压来确保不会出现电压危害,从而提高系统的可靠性和稳健性。
图3 内窥镜功能框图ADM12914也具有电阻可编程UV/OV阈值,这是一款精度为±0.8%的四通道UV/OV正/负电压监控器。该监控器具有三态引脚,用于决定第三路和第四路输入的极性,从而允许器件监控正电源或负电源。其高精度监控对于脉冲绕组测试仪等仪器应用非常宝贵,脉冲绕组测试仪可以发现变压器、电机等线圈产品中的潜在缺陷。它可以检测层间绝缘性低的单元,这在生产的早期阶段通常很难发现。该测试仪用于在绕组端子施加脉冲电压,并将测试波形与已知良好绕组产生的参考波形进行比较,以此检测缺陷2。此应用使用高速采样模数转换器(ADC)产品对波形进行采样和显示,并将其与标准波形进行比较,以实现检测。ADM12914在阈值设置方面具有灵活性,并提供高阈值精度,这些优势有利于精确监控脉冲绕组测试仪中不同电路模块(如ADC驱动器、高速放大器和微处理器)的电压偏置。因此,该器件对于生产高质量线圈产品至关重要,这些线圈产品最终将用于工业、汽车和消费类产品。
表1列出了ADI窗口电压监控器的示例,这些监控器具有基于通道数的电阻可编程UV和OV阈值。
表1 具有电阻可编程UV和OV阈值的窗口电压监控器
LTC2914
4
否(所有通道共用UV和OV输出)
ADM12914
ADM2914
MAX16008
是
MAX16009
MAX16063
具有可选窗口的工厂调整电压阈值
此类型窗口电压监控器架构提供工厂调整的电压阈值,并为UV/OV阈值提供可选窗口。其中一些类型提供单一或独立欠压和过压输出选项。
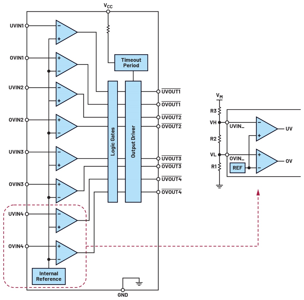
MAX6762采用此类型架构。该器件提供固定的工厂调整电压阈值,可监控0.9 V至5 V的系统电压,并为定义的UV/OV阈值提供可选的±5%、±10%或±15%窗口,无需外部元件及其变体。窗口可通过SET引脚的状态进行选择,以使系统工程师能够灵活地优化其设计。与我们讨论的第一种类型的架构不同,这些窗口电压监控器的VCC是被监控电压。因此,没有单独的监控引脚。图4所示为MAX6762的功能框图,显示了UV/OV阈值窗口选项和输出配置。
图4 MAX6762的功能框图,这是具有工厂调整阈值的窗口电压监控器的示例需要严格调节电压且对噪声敏感的应用可轻松选择严格容差选项。另一方面,如果应用对电源噪声的容忍度更高且不需要严格调节,则可以选择设置更宽的容差,以充分扩大可用电源窗口,避免过度敏感和系统振荡。通过该架构,设计人员可利用解决方案来平衡灵活性与复杂性。工厂调整的电压无需外部电阻,同时允许通过SET引脚灵活地选择合适的窗口,从而简化了解决方案。
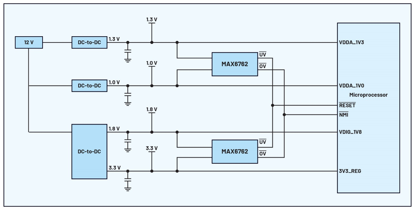
图5显示了无线收发器的简化电源树示例。除了需要出色的噪声性能,该应用还需要严格调节供电轨。低压差(LDO)稳压器等后线性稳压器通常用于抑制开关噪声带来的噪声以及上游电源中开关稳压器的谐波分量,但有时,高性能开关稳压器便已足够。然而,使用窗口电压监控器可确保模拟和数字电源在工作时满足严格的调节要求,从而提高整体可靠性。在该示例中,具有已定义阈值窗口的MAX6762监控供电轨。由于使用的稳压器具有出色的噪声性能,因此可以选择更严格的容差。UV输出配置为逻辑或,可将微处理器置于复位模式,OV输出则作为微处理器不可屏蔽中断(NMI)的输入。
图5 收发器微处理器的电源树示例表2列出了窗口电压监控器的示例,这些监控器提供具有可选窗口的工厂调整电压阈值。此类型架构提供单通道和双通道版本,并有独立UV和OV输出或单一UV/OV输出可供选择。
表2 具有工厂调整电压阈值和可选窗口的窗口电压监控器
产品型号
通道数
UV/OV输出
MAX6754
MAX6755
单一UV/OV输出
MAX6756
1
MAX6757
独立UV和OV输出
MAX6759
MAX6760
2
MAX6762
提供单一UV/OV输出的工厂调整电压和窗口
此架构可在工厂设置的阈值窗口中检测UV或OV故障。它与前文讨论的第二种类型的架构之间的区别在于,UV/OV阈值的容差是工厂调整的。采用此架构的常见监控器提供单一复位输出。此外,可在单芯片中监控多个电压轨的多通道选项提供各种阈值,以适应不同的电源电压和容差。
图6 工厂调整阈值和容差的功能框图在图6中,此类型窗口电压监控器使用内部比较器根据输入电压(IN)和输入电源电压(VDD)来确定输入条件。通过IN引脚分别为UVLO电平及被监控电压的OV和UV监控VDD电平。如果IN超出预编程的UV/OV窗口,复位输出将置位。基准电压决定了各种工厂调整的标称输入电压,以及符合给定阈值精度规格的广泛输入容差选项。容差根据编程的标称输入电压设置UV/OV阈值水平。此外,该电压监控器在窗口阈值具有内部滞回,可帮助避免噪声引起的多重故障条件。
MAX16193采用该架构,这是一款精度为0.3%的双通道监控电路,其选定的标称输入电压(VIN_NOM)为0.9 V,输入容差水平(TOL)为4%。以下公式用于确定UV和OV阈值水平(UV_TH和OV_TH):


在电源电压范围内,阈值精度(ACC)为0.3%,如下所示:




为帮助我们直观地看到这些值,图7显示了已计算参数的图解。计算结果可通过使用窗口电压监控计算器获得,该工具可帮助系统设计人员确保设备规格符合电源操作窗口等设计要求。图7显示,使用该标称电压为0.9V、容差为4%、阈值精度为0.3%的器件后,电源工作窗口将为±3.7%。此示例适合内核电压较低且需要严格调节的应用。
图7 MAX16193的窗口电压计算器样本计算结果您可从以下产品页面下载此工具:MAX16138、MAX16191、MAX16193、MAX16132至MAX16135、MAX16137。
其他采用相同架构的产品包括MAX16132至MAX1635,这是一系列低电压、高精度单/双/三/四电压监控器,其中MAX16132/MAX16133/MAX16134提供独立复位输出,MAX16135提供双复位输出。这些器件的温度和窗口阈值监控阈值精度为±1%,非常适合汽车高级驾驶辅助系统(ADAS)应用。这些器件提供多个标称电压选项可供选择,以支持应用要求。ADAS解决方案包含摄像头、远程雷达、超声、光探测和测距(LIDAR)检测技术。图8显示了ADAS框图的示例,其中窗口电压监控器位于电源管理系统模块中的电源监控器类别下。检测电路要求为放大器、ADC、雷达收发器和微控制器等器件监控多个不同的电压轨,范围可能从1.8 V到5 V不等。当系统中的电源电压无法提供足够的电压电平时,系统准确感知环境的能力就会受到负面影响。实际上,传感器可能很难准确检测和跟踪物体,从而导致误警报或漏报3。MAX16132至MAX1635提供多个可供选择的调整电压阈值选项,这些选项能够以高精度支持ADAS要求,从而满足严格的调节要求。这些器件提供可在工厂编程设置的标称输入电压,范围为1 V至5 V,并为±4%至±11%的输入容差、0.25%和0.5%的滞回提供广泛选项。
图8 ADAS功能框图该窗口电压监控器通常用于协作机器人(cobot)等工业应用领域。协作机器人是一种自主机器人工人,负责执行重复性任务和危险任务,在共享工作空间内与人类工人一起工作。协作机器人配备多种具有安全特性的传感器,当它们检测到附近有人或与人类工人接触时会自动停止,然后等人类工人离开该区域后,又恢复工作。机器人系统的实时控制可通过FPGA的快速处理能力实现4。经过微调的电机控制和稳定反馈回路等关键功能需要高精度电源系统监控器,而MAX16134可以提供此类监控器。
图9 协作机器人功能框图 表3中显示的不同通用产品提供工厂调整的阈值电压和容差选项,这些产品具有给定精度以及不同的通道数。
表3 具有工厂调整电压阈值和容差的窗口电压监控器
2
IN1:0.6 V至0.9 V
IN2:0.9 V至3.3 V
±2%至±5%
MAX16132
1
1.0 V至5.0 V
±4%至±11%
MAX16133
2
MAX16134
3
MAX16135
4
结论
窗口电压监控器通过监控欠压和过压来降低电源故障的可能性,从而提高可靠性和系统稳健性。ADI提供多种窗口电压监控器可供选择,以支持不同的应用。ADI设计并提供不同的架构以用于设置电压阈值和容差,帮助系统架构师完成优秀的设计。
参考文献
1 Noel Tenorio。“电压监控器如何解决电源噪声和毛刺问题”。《模拟对话》,第57卷,2023年11月。
2 Yuki Maita。“使用新型脉冲绕组测试仪进行高精度绕组测试”。EE Power,2019年12月。
3 Bonnie Baker。“看守士兵保护ADAS电源电压完整性”。ADI公司,2020年7月。
4 R.Niranjana。“基于FPGA的机器人和自动化”。FPGA Insights,2023年8月。
作者简介
Camille Bianca Gomez是多市场Power-East事业部的产品应用工程师。她于2022年3月加入ADI公司,并在德拉萨大学拉古纳分校获电子工程学士学位。她曾在一家汽车制造公司工作了3.5年,担任设计工程师一职,目前她专注于高性能电源监控产品的支持与产品开发。
Noel Tenorio是ADI菲律宾公司的产品应用经理,主要负责多市场功率处理高性能电源监控产品。他于2016年8月加入ADI公司。在加入ADI公司之前,他在一家开关模式电源研发公司作为设计工程师工作了六年。他拥有菲律宾八打雁国立大学电子与通信工程学士学位、电力电子专业电气工程研究生学位,以及玛普阿大学电子工程理学硕士学位。在负责电源监控产品之前,他还在热电冷却器控制器产品的应用支持领域担任过重要职务。
